Clamshell Gate - Low Headroom Double Clamshell Gate
Double Clamshell Gate : The outboard end of the hinge pins of clamshell gates are supported to keep them in line even as the parts wear. The box and blades are heavy enough to do the work they were designed to do. The blades are shaped to reduce friction as they slice through the material in closing. The tooth gear quadrants that we use on our clamshell units which are designed for long trouble free use. One big advantage of using these clamshell gate is that the material drops out of the center of the opening as the gate blades separate. Check out other products of Gates: 1) Double Clamshell Gates 2) Flared Low Headroom Clamshell Gates 3) Low Headroom Double Clamshell Gate 4) Low Headroom Clamshell Gates 5) Butterfly Valve with Slide Gates 6) Butterfly Valves 7) Tunnel Gates
General Information
Please click on Product Spec and identify the correct Model Number. You may send your Business Enquiry.
Product DescriptionSpecification for Clamshell Gate
12"x12" Clamshell Gate:
-
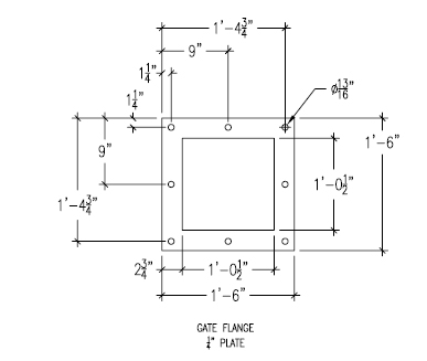
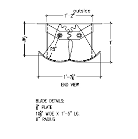
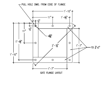
12in x 12in x 9-1/2in Min Height Clamshell Gate Probable air cylinder stroke is 10in.Std. flange width 3in made out of 1/4in x 3in flat bar.
-
Body & Blades made out of 1/4in mild steel plate.
-
Gear quads made out of 5/8in mild steel plate.
-
Weight 110 pounds
14"x14" Clamshell Gate:
-
14in x 14in x 11in Min Height Clamshell Gate Probable air cylinder stroke is 10in.
-
Std. flange width 3in made out of 1/4in x 3in flat bar.
-
Body & Blades made out of 1/4in mild steel plate.Gear quads made out of 5/8in mild steel plate.
-
Weight 140 pounds
16"x16" Clamshell Gate:
-
16in x 16in x 12in Min Height Clamshell Gate Probable air cylinder stroke is 10in.
-
Std. flange width 3in made out of 1/4in x 3in flat bar.
-
Body & Blades made out of 1/4in mild steel plate.
-
Gear quads made out of 5/8in mild steel plate.
-
Weight 170 pounds